型 號:WD-U型手搖搬運小坦克型
規 格:2噸-10噸WD-U型手搖搬運小坦克
公司名稱:日本TIRROLLER手搖搬運小坦克
保質周期:12
價 格(≤ 1) ¥電議 /臺
優惠價格(≥ 5):電議

![]()
◆WD-U手搖搬運小坦克屬于日本TIRROLLER品牌原裝進口產品,通過手搖驅動前后移動,可爬緩坡,防止倒退,節省人力,方便搬運;
◆WD-U手搖搬運小坦克采用聚氨酯滾輪,減少對地面的損壞,防震功能好;
◆WD-U手搖搬運小坦克與操作手柄搭配使用(卸下手柄可當直行搬運小坦克用),根據需要也可以用長的驅動手柄,使搬運更輕松;
日本DAIKI品牌有一款手搖搬運小坦克-DUW-3R型DAIKI手搖搬運小坦克,可以通過遙控操作,操作方便。
WD-U手搖搬運小坦克適用于工廠大型設備的組裝、搬運、搬出,工廠布局的變更、車床、閥門管件、機械等的移動、安裝以及大型變壓器和鍋爐的運動和安裝,空調設備,污染控制設備的移動和安裝等。
![]()
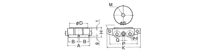
TIRROLLER WD-U手搖搬運小坦克尺寸圖:

|
型————號
|
WD-2U |
WD-3U |
WD-5U |
WD-8U |
WD-10U |
||||
|
-載—荷(t) |
2 |
3 |
5 |
8 |
10 |
||||
|
自————重(kg) |
6 |
10 |
20 |
35 |
43 |
||||
|
移動阻力 |
鋼板路面 |
0.05 |
0.05 |
0.05 |
0.05 |
0.05 |
|||
|
混凝土路面 |
0.07 |
0.07 |
0.07 |
0.07 |
0.07 |
||||
|
框架 – – |
A |
168 |
192 |
249 |
307 |
331 |
|||
|
K |
260 |
320 |
370 |
430 |
450 |
||||
|
P |
210 |
260 |
310 |
370 |
390 |
||||
|
H |
38 |
83 |
104 |
128 |
139 |
||||
|
g |
10 |
12 |
15 |
18 |
20 |
||||
|
R |
21 |
26 |
26 |
31 |
31 |
||||
|
?S |
196 |
230 |
301 |
379 |
423 |
||||
|
Q六角孔對邊 |
13 |
17 |
22 |
27 |
32 |
||||
|
輪子 |
型式 |
聚氨酯 |
|||||||
|
個數 |
4 |
4 |
4 |
4 |
4 |
||||
|
?d |
46 |
60 |
75 |
95 |
105 |
||||
|
B |
55 |
65 |
85 |
110 |
120 |
||||
|
轉盤 |
?D |
125 |
150 |
180 |
240 |
240 |
|||
|
t |
6 |
6 |
9 |
9 |
9 |
||||
|
M |
M16 |
M16 |
M20 |
M20 |
M20 |
||||
|
驅動(kg.m) |
3.2 |
6.3 |
13.1 |
26.6 |
36.8 |
||||
|
手柄(可選) |
PH-20 |
PH-25 |
PH-25 |
PH-30 |
PH-30 |
||||
![]()
TIRROLLER WD-U手搖搬運小坦克實物圖:

—-
![]()
TIRROLLER WD-U手搖搬運小坦克為日本原裝進口產品,保質1年,我公司承諾凡是客戶在我公司定購的進口類產品均為原裝正品,絕不存在拆件貨,換件貨,假冒品牌產品,凡客戶從我公司訂購日本TIRROLLER 產品如收到貨物時發現有拆件貨,換件貨,假冒、假貨仿貨均以100倍金額賠償。