型 號:TIRROLLER CS型搬運小坦克
規 格:0.5噸-2噸TIRROLLER CS型
公司名稱:日本TIRROLLER
保質周期:12
價 格(≤ 1) ¥電議 /臺
優惠價格(≥ 5):電議

TIRROLLER CS型搬運小坦克,CS型搬運小坦克

◆TIRROLLER CS型搬運小坦克體積小,操作簡單,攜帶方便,采用緊湊型設計;
◆此款CS型搬運小坦克屬于單輪搬運小坦克,材質為聚氨酯輪,減少地板上的劃痕,減少振動,可在混凝土地面上使用;
◆CS型TIRROLLER搬運小坦克耐久性和安全性很好,結構穩固,多用于工廠設備的搬運、車間設備的移運、車床、磨床等移動安裝。

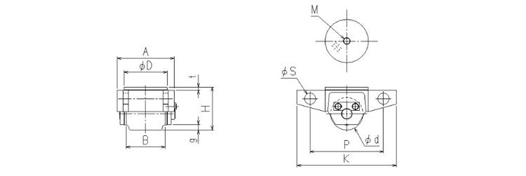
TIRROLLER CS型搬運小坦克尺寸圖:
|
型 號 |
CS-05U |
CS-07U |
CS-1U |
CS-2U |
|
|
載 荷(t) |
0.5 |
0.75 |
1 |
2 |
|
|
自 重(kg) |
4 |
5 |
11 |
13 |
|
|
|
鋼板路面 |
0.05 |
0.05 |
0.05 |
0.05 |
|
混凝土路面 |
0.07 |
0.07 |
0.07 |
0.07 |
|
|
框架 |
A |
122 |
136 |
157 |
186 |
|
K |
230 |
230 |
180 |
180 |
|
|
P |
170 |
170 |
220 |
220 |
|
|
H |
89 |
99 |
130 |
150 |
|
|
g |
12.5 |
12.5 |
24 |
34 |
|
|
ØS |
26 |
26 |
26 |
26 |
|
|
輪子 |
材質 |
聚氨酯輪 |
|||
|
個數 |
1 |
1 |
1 |
1 |
|
|
Ød |
65 |
75 |
100 |
120 |
|
|
B |
75 |
90 |
110 |
140 |
|
|
轉盤 |
ØD |
100 |
100 |
150 |
150 |
|
t |
6 |
6 |
9 |
9 |
|
|
M |
M16 |
M16 |
M16 |
M16 |
|
|
專用手柄(可選) |
PH-25 |
PH-25 |
PH-25 |
PH-25 |
|
注:由于產品不斷改良,當外形與參數變更時,均以實物為主,想要了解更多產品詳情可電話聯系我們。

TIRROLLER CS型搬運小坦克屬于日本TIRROLLER品牌原裝進口產品,保質12個月(易損件除外),凡客戶從我公司定購此品牌產品如收到貨物時發現有假貨仿貨均以100倍金額賠償。