型 號:WB型TIRROLLER搬運小坦克
規 格:2噸-8噸TIRROLLER搬運小坦克
公司名稱:日本TIRROLLER搬運小坦克
保質周期:12
價 格(≤ 1) ¥電議 /臺
優惠價格(≥ 5):電議


◆TIRROLLER?WB型搬運小坦克是一款越障礙搬運小坦克,為凹凸地面及斜坡地面搬運設計.
◆可在凹凸不平的地面及帶有4度的斜坡的地面正常使用.自動適應不平地面,搬運穩定安全.
◆這款TIRROLLER搬運小坦克采用聚氨酯搬運坦克輪,輪子比其他型號搬運小坦克更厚,更耐磨.
◆WB型越障礙搬運小坦克頂部板可以以4°傾斜角傾斜,也能在鋼板或混凝土路面上使用.
TIRROLLER?WB型搬運小坦克廣泛應用于工廠設備的搬運、機床,拋光機,刨床的安裝/移動、運輸大型機械設備、大型變壓器和鍋爐的運動和安裝、鋼鐵家具的移動等.

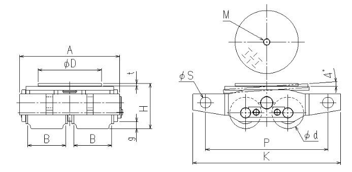
TIRROLLER?WB型搬運小坦克尺寸圖:

|
型 ? ? ?? ? ? 號 |
WB-2UA |
WB-3UA |
WB-5UA |
WB-8UA |
|
|
? 額定? 載 ?荷(t) |
2 |
3 |
5 |
8 |
|
|
? ? 自??????????重(kg) |
14 |
18 |
36 |
49 |
|
|
移動阻力 |
鋼板路面 |
0.05 |
0.05 |
0.05 |
0.05 |
|
混凝土路面 |
0.07 |
0.07 |
0.07 |
0.07 |
|
|
? 框架
|
A |
214 |
244 |
293 |
353 |
|
K |
330 |
350 |
402 |
460 |
|
|
P |
270 |
290 |
342 |
400 |
|
|
H |
94 |
108 |
133 |
157 |
|
|
g |
12 |
17 |
20 |
34 |
|
|
?S |
26 |
26 |
26 |
31 |
|
|
? 輪子 |
材質 |
聚氨酯輪 |
|||
|
個數 |
4 |
4 |
4 |
4 |
|
|
?d |
65 |
75 |
100 |
120 |
|
|
B |
75 |
90 |
110 |
140 |
|
|
? 轉盤 |
?D |
150 |
150 |
180 |
240 |
|
t |
6 |
6 |
9 |
9 |
|
|
M |
M16 |
M16 |
M20 |
M20 |
|
|
專用手柄(可選) |
PH-25 |
PH-25 |
PH-25 |
PH-25 |
|
注:由于產品不斷改良,當外形與參數變更時,均以實物為主,想要了解更多產品詳情可電話聯系我們.

TIRROLLER?WB型搬運小坦克為日本原裝進口產品,保質1年,我公司承諾凡是客戶在我公司定購的進口類產品均為原裝正品,絕不存在拆件貨,換件貨,假冒品牌產品,凡客戶從我公司訂購日本 TIRROLLER產品如收到貨物時發現有拆件貨,換件貨,假冒、假貨仿貨均以100倍金額賠償。