型 號:DSB
規 格:5噸-10噸
公司名稱:日本DAIKI
保質周期:12
價 格(≤ 1) ¥電議 /臺
優惠價格(≥ 5):電議

DSB型DAIKI搬運小坦克,DSB型搬運小坦克

◆DSB型DAIKI搬運小坦克可直行可轉向,屬于多功能搬運小坦克;
◆日本DSB型搬運小坦克其前輪可左右30度旋轉,可在移動搬運時轉向操作;
◆DAIKI DSB型搬運小坦克可配合固定栓使用,充當直行搬運小坦克角色;
◆DSB型多功能運小坦克的坦克輪材質為鋼輪,承載能力強,在承載重型設備時,移動更加省力,省時,提高工作效率。

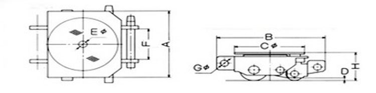
DSB型DAIKI搬運小坦克尺寸圖:

|
型號 |
載荷 |
滑輪 |
重量 |
A |
B |
φC |
D |
E |
F |
φG |
H |
|
|
DSB-5 |
5T |
50×73×2 |
80×80×2 |
20 |
250 |
309 |
200 |
10 |
M20 |
114 |
23 |
105 |
|
DSB-10 |
10T |
60×80×2 |
100×125×2 |
41 |
300 |
357 |
240 |
13 |
M20 |
114 |
23 |
128 |
注:由于產品不斷改良,當外形與參數變更時,均以實物為主,想要了解更多產品詳情可電話聯系我們。

DSB型DAIKI搬運小坦克屬于日本DAIKI品牌產品,保質12個月,凡客戶從我公司定購此品牌產品如收到貨物時發現有假貨仿貨均以100倍金額賠償。